技术支持
CONTACT

河北远东泵业制造有限公司

  0317- 8185455

  

  hbydby@126.com

  河北省泊头市道东街88号

 Yor are here:Home > 技术支持
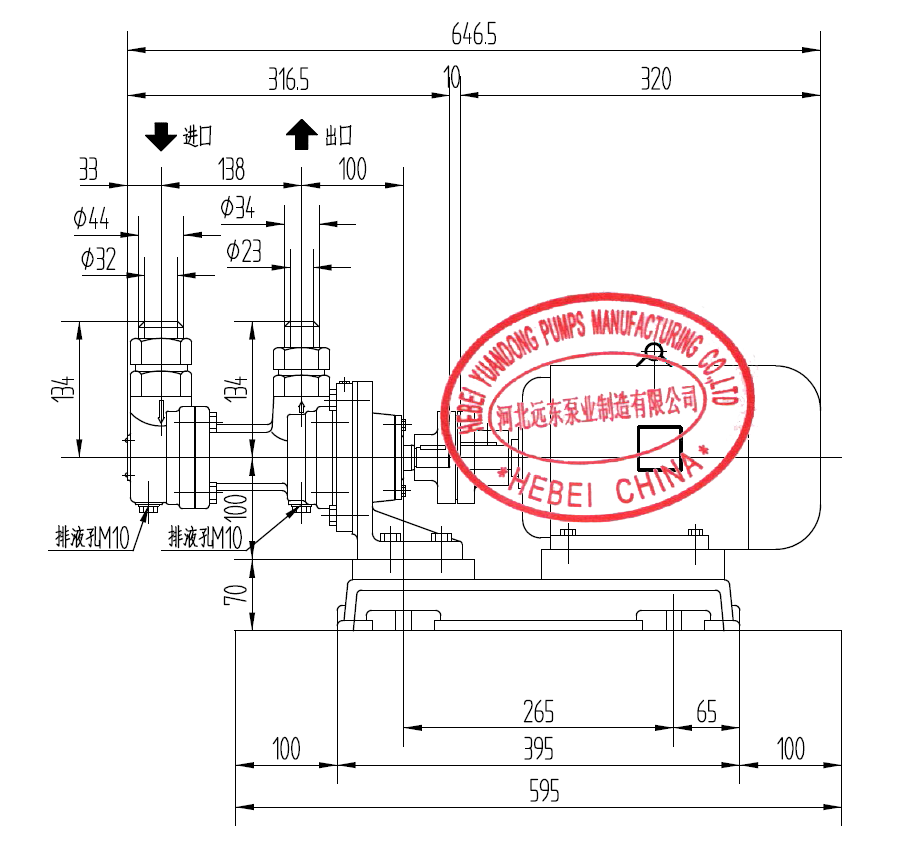
3G30*4w21三螺杆泵配Y1.1KW-4整机外形尺寸图
  2026-1-12 9:21:43    

3G30*4w21三螺杆泵配Y1.1KW-4整机外形尺寸图

image.png


   3GCLS110*2W2立式三螺杆泵配90kw-4电机性能曲线图

   G70-1 单螺杆泵 外形安装尺寸图

© 2018 Hebei Yuandong Pumps B-yd.com .All Right Reserved.备案号:冀ICP备05010751号-2