技术支持
CONTACT

河北远东泵业制造有限公司

  0317- 8185455

  

  hbydby@126.com

  河北省泊头市道东街88号

 Yor are here:Home > 技术支持
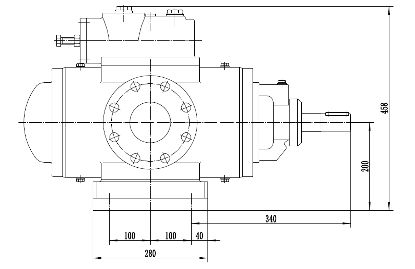
水轮机润滑油泵SNH440R52U12.1W2三螺杆泵泵头外形尺寸图
  2021-9-24 17:45:07    

水轮机润滑油泵SNH440R52U12.1W2三螺杆泵泵头外形尺寸图

SNH440R52U12.1W2


1.水轮机调速油泵:在水轮机调速系统中,三螺杆泵中压产品可以发挥重要作用,帮助汽轮机组平稳运行;

2.水轮机润滑油泵:为三螺杆泵为水轮机正常运转提供可靠的轴承润滑方案;

3.水轮机顶轴油泵:三螺杆泵葵帮助水轮机发电机正常开机运转,满足高压性能要求。



   输油螺杆泵SNS940R42U12.1W21立式三螺杆泵配22kw-4安装尺寸图

   沥青泵RCB8保温齿轮泵配5.5kw-6电机外形安装尺寸图

© 2018 Hebei Yuandong Pumps B-yd.com .All Right Reserved.备案号:冀ICP备05010751号-2